Email:
电话:
产品中心
公司主要生产有:智能化输配电及控制设备、高低压成套电气设备。主要产品有:电能计量箱、综合配电箱JP柜、避雷器、高压熔断器、低压漏电断路器真空断路器、电器元件等

产品中心 - CTB8LE-63 漏电断路器

所属小类:小型断路器
电话:0577-63385333
邮箱:
地址:浙江省温州瓯江口产业集聚区灵展路988号
产品参数
联系我们
在线留言
产品参数
适用范围:
CTB8LE漏电断路器(以下简称漏电断路器)适用于交流50Hz,额定工作电压单极两线、二极为230V,三极、三极四线为400V,额定电流至63A及以下,额定运行短路分断能力不超过6000A保护配电线路中,当人身触电或电网泄漏电流超过规定值时,漏电断路器能在极短的时间内迅速切断故障电源,保护人身及用电设备的安全。
漏电断路器具有过载、短路、漏电和过压保护(仅单级两线和两极具备)功能。可用来保护线路或电动机的过载和短路,亦可在正常情况下作为线路的不频繁转换启动之用。注:本产品符合标准:GB/T16917.1、GB/T16917.22
使用环境:
1.周围空气温度
a.周围空气温度的上限不超过+40℃,24h内平均值不超过+35℃;
b.周围空气温度的下限不低于-5℃。
2.海拔:安装起点的海拔不超过2000m。
3.大气条件
安装地点的空气相对湿度在最高温度为+40℃时不超过50%,在最湿月的月平均最低温度不超过+25℃时相对湿度不超过90%,并考虑到因温度变化发生在产品表面上的凝露
4.漏电断路器使用场所的污染等级为2级。
5.安装场所的外磁场任何方向均不超过地磁场的5倍。
6.漏电断路器安装类别通常为Ⅱ、Ⅲ类。
7.漏电断路器采用TH35-7.5型钢安装轨。
8.漏电断路器一般应垂直安装,手柄向上为接通电源位置。
9.安装处应无显著冲击和振动。
10.接线方法:用螺钉压紧接线。
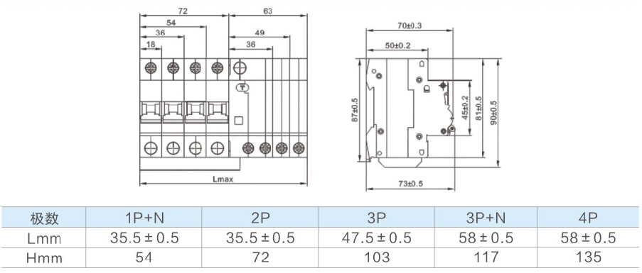
外形及安装尺寸:

在线留言
SEND MESSAGE
相关产品
高压开关柜
低压开关柜
配电箱/补偿柜
箱式变电站
电缆分支箱
电表计量箱
高压断路器开关
小型断路器
塑壳断路器
剩余电流动作断路器
耐张杆用绝缘子
复合外套避雷
跌落式熔断器
Copyright @ 辰通智能电气有限公司 All Rights Reserved